高平臺不銹鋼球閥 | Q41F
高平臺不銹鋼球閥 產品說明
高平臺不銹鋼球閥Q41F是閥體帶安裝平臺的一種球閥,方便和手柄、氣動執行器和電動執行器的連接而設計的一種球閥,具有結構緊湊,安裝方便的特點。閥門是全通徑球閥,無流阻,可以通過有復雜介質閥門,閥體密封圈可以選用PTFE四氟橡膠、PPL對位聚苯橡膠等,來適應于不同工作溫度的場合。閥門廣泛應用于水、氣體、溶液等場合使用。
高平臺不銹鋼球閥 材質參數
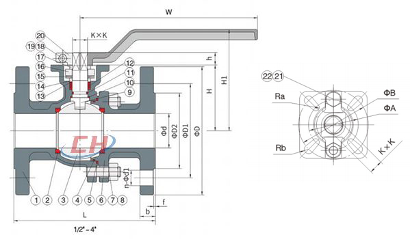
| 序號NO. | 零件名稱PARTS | 材質MATERIAL | ||
|---|---|---|---|---|
| 1 | 閥體BODY | WCB | CF8 | CF8M |
| 2 | 閥座SEAT | PTFE | ||
| 3 | 球體BALL | CF8 | CF8 | CF8M |
| 4 | O形圈O-RING | FPM | ||
| 5 | 墊片GASKET | PTFE | ||
| 6 | 閥蓋BONNET | WCB | CF8 | CF8M |
| 7 | 螺柱BOLT | 304 | ||
| 8 | 螺母NUT | 304 | ||
| 9 | 閥桿STEM | 304 | 304 | 316 |
| 10 | 閥桿墊圈STEMWASHER | PTFE+25%GF | ||
| 11 | O形圈O-RING | FPM | ||
| 12 | 填料PACKING | PTFE | ||
| 13 | 耐磨墊WEARWASHER | PTFE+25%GF | ||
| 14 | 壓圈GLAND | 304 | ||
| 15 | 蝶形彈簧DISCSPRING | 304 | ||
| 16 | 壓板GLANDFLANGE | CF8 | ||
| 17 | 定位片STOPPER | 304 | ||
| 18 | 內六角螺釘HEXSOCKETBOLT | 304 | ||
| 19 | 螺母NUT | 304 | ||
| 20 | 手柄HANDLE | WCB/CF8 | ||
| 21 | 螺栓BOLT | 304 | ||
| 22 | 螺母NUT | 304 | ||
高平臺不銹鋼球閥 結構尺寸圖
高平臺不銹鋼球閥 連接尺寸
機械部JB79長度
| 尺寸 Nominal Diameter |
L | d | D2 | D1 | D | b | f | n-?φd1 | H | h | H1 | W | Ra | Rb | A | B | KXK | |
|---|---|---|---|---|---|---|---|---|---|---|---|---|---|---|---|---|---|---|
| 15 | 1/2" | 130 | 15 | 45 | 65 | 95 | 14 | 2 | 4-14 | 51 | 9 | 83 | 140 | 3.0 | 3.5 | 36 | 50 | 9X9 |
| 20 | 3/4" | 140 | 20 | 55 | 75 | 105 | 14 | 2 | 4-14 | 56 | 9 | 88 | 140 | 3.0 | 3.5 | 36 | 50 | 9X9 |
| 25 | 1" | 150 | 25 | 65 | 85 | 115 | 14 | 2 | 4-14 | 62 | 11 | 97 | 170 | 3.0 | 3.5 | 42 | 50 | 11X11 |
| 32 | 1-1/4" | 165 | 32 | 78 | 100 | 135 | 16 | 2 | 4-18 | 72 | 11 | 107 | 170 | 3.0 | 3.5 | 42 | 50 | 11X11 |
| 40 | 1-1/2" | 180 | 40 | 85 | 110 | 145 | 16 | 3 | 4-18 | 78 | 14 | 116 | 200 | 3.5 | 4.5 | 50 | 70 | 14×14 |
| 50 | 2" | 200 | 50 | 100 | 125 | 160 | 16 | 3 | 4-18 | 86 | 14 | 124 | 200 | 3.5 | 4.5 | 50 | 70 | 14×14 |
| 65 | 2-1/2" | 220 | 65 | 120 | 145 | 180 | 18 | 3 | 4-18 | 102 | 17 | 146 | 300 | 4.5 | 5.5 | 70 | 102 | 17X17 |
| 80 | 3" | 250 | 80 | 135 | 160 | 195 | 20 | 3 | 8-18 | 115 | 17 | 159 | 300 | 4.5 | 5.5 | 70 | 102 | 17X17 |
| 100 | 4" | 280 | 100 | 155 | 180 | 215 | 20 | 3 | 8-18 | 137 | 17 | 181 | 300 | 4.5 | 5.5 | 70 | 102 | 17X17 |
| 125 | 5" | 320 | 125 | 185 | 210 | 250 | 22 | 3 | 8-18 | 170 | 25 | 255 | 650 | 5.5 | 6.5 | 102 | 125 | 22×22 |
| 150 | 6" | 360 | 150 | 210 | 240 | 280 | 24 | 3 | 8-23 | 192 | 30 | 277 | 800 | 5.5 | 6.5 | 102 | 125 | 27×27 |
| 200 | 8" | 400 | 200 | 265 | 295 | 335 | 26 | 3 | 12-23 | 234 | 35 | 280 | 300 | 5.5 | 6.5 | 102 | 125 | 27X27 |
化工部長度1
| 尺寸 Nomina Diameter |
L | d | D2 | D1 | D | b | f | n-?φd1 | H | h | H1 | W | Ra | Rb | A | B | K×K | |
|---|---|---|---|---|---|---|---|---|---|---|---|---|---|---|---|---|---|---|
| 15 | 1/2" | 130 | 15 | 45 | 65 | 95 | 16 | 2 | 4-14 | 55 | 9 | 87 | 140 | 3.0 | 3.5 | 36 | 50 | 9X9 |
| 20 | 3/4" | 130 | 20 | 58 | 75 | 105 | 18 | 2 | 4-14 | 60 | 9 | 92 | 140 | 3.0 | 3.5 | 36 | 50 | 9X9 |
| 25 | 1" | 140 | 25 | 68 | 85 | 115 | 18 | 2 | 4-14 | 67 | 11 | 102 | 170 | 3.0 | 3.5 | 42 | 50 | 11X11 |
| 32 | 1-1/4" | 165 | 32 | 78 | 100 | 140 | 18 | 2 | 4-18 | 76 | 11 | 111 | 170 | 3.0 | 3.5 | 42 | 50 | 11X11 |
| 40 | 1-1/2" | 165 | 40 | 88 | 110 | 150 | 18 | 2 | 4-18 | 85 | 14 | 123 | 200 | 3.5 | 4.5 | 50 | 70 | 14×14 |
| 50 | 2" | 203 | 50 | 102 | 125 | 165 | 18 | 2 | 4-18 | 93 | 14 | 131 | 200 | 3.5 | 4.5 | 50 | 70 | 14X14 |
| 65 | 2-1/2" | 222 | 65 | 122 | 145 | 185 | 18 | 2 | 8-18 | 113 | 17 | 157 | 300 | 4.5 | 5.5 | 70 | 102 | 17X17 |
| 80 | 3" | 241 | 80 | 138 | 160 | 200 | 20 | 2 | 8-18 | 126 | 17 | 170 | 300 | 4.5 | 5.5 | 70 | 102 | 17×17 |
| 100 | 4" | 305 | 100 | 158 | 180 | 220 | 20 | 2 | 8-18 | 141 | 17 | 185 | 300 | 4.5 | 5.5 | 70 | 102 | 17X17 |
| 125 | 5" | 356 | 125 | 188 | 210 | 250 | 22 | 2 | 8-22 | 170 | 25 | 255 | 650 | 5.5 | 6.5 | 102 | 125 | 22X22 |
| 150 | 6" | 394 | 150 | 212 | 240 | 285 | 22 | 2 | 8-22 | 192 | 30 | 277 | 800 | 5.5 | 6.5 | 102 | 125 | 27X27 |
| 200 | 8" | 457 | 200 | 268 | 295 | 340 | 24 | 2 | 12-22 | 234 | 35 | 280 | 300 | 5.5 | 6.5 | 102 | 125 | 27X27 |
化工部長度2
| 尺寸 Nominal Diameter |
L | d | D2 | D1 | D | b | f | n-?φd1 | H | h | H1 | W | Ra | Rb | A | B | KXK | |
|---|---|---|---|---|---|---|---|---|---|---|---|---|---|---|---|---|---|---|
| 15 | 1/2" | 108 | 15 | 45 | 65 | 95 | 16 | 2 | 4-14 | 55 | 9 | 87 | 140 | 3.0 | 3.5 | 36 | 50 | 9X9 |
| 20 | 3/4" | 117 | 20 | 58 | 75 | 105 | 18 | 2 | 4-14 | 60 | 9 | 92 | 140 | 3.0 | 3.5 | 36 | 50 | 9X9 |
| 25 | 1" | 127 | 25 | 68 | 85 | 115 | 18 | 2 | 4-14 | 67 | 11 | 102 | 170 | 3.0 | 3.5 | 42 | 50 | 11X11 |
| 32 | 1-1/4" | 140 | 32 | 78 | 100 | 140 | 18 | 2 | 4-18 | 76 | 11 | 111 | 170 | 3.0 | 3.5 | 42 | 50 | 11X1 |
| 40 | 1-1/2" | 165 | 40 | 88 | 110 | 150 | 18 | 2 | 4-18 | 85 | 14 | 123 | 200 | 3.5 | 4.5 | 50 | 70 | 14×14 |
| 50 | 2" | 178 | 50 | 102 | 125 | 165 | 18 | 2 | 4-18 | 93 | 14 | 131 | 200 | 3.5 | 4.5 | 50 | 70 | 14×14 |
| 65 | 2-1/2" | 190 | 65 | 122 | 145 | 185 | 18 | 2 | 8-18 | 113 | 17 | 157 | 300 | 4.5 | 5.5 | 70 | 102 | 17X17 |
| 80 | 3" | 203 | 80 | 138 | 160 | 200 | 20 | 2 | 8-18 | 126 | 17 | 170 | 300 | 4.5 | 5.5 | 70 | 102 | 17X17 |
| 100 | 4" | 229 | 100 | 158 | 180 | 220 | 20 | 2 | 8-18 | 141 | 17 | 185 | 300 | 4.5 | 5.5 | 70 | 102 | 17×17 |
| 125 | 5" | 356 | 125 | 188 | 210 | 250 | 22 | 2 | 8-22 | 170 | 25 | 255 | 650 | 5.5 | 6.5 | 102 | 125 | 22X22 |
| 150 | 6" | 394 | 150 | 212 | 240 | 285 | 22 | 2 | 8-22 | 192 | 30 | 277 | 800 | 5.5 | 6.5 | 102 | 125 | 27X27 |
| 200 | 8" | 457 | 200 | 268 | 295 | 340 | 24 | 2 | 8-22 | 234 | 35 | 280 | 300 | 5.5 | 6.5 | 102 | 125 | 27×27 |
